Questão
Q419830
Prova: Concurso Tribunal de Justiça do Distrito Federal e Território - DF (TJDFT/DF) - Analista Judiciário Área Engenharia Elétrica - Centro de Seleção e de Promoção de Eventos UnB (CESPE) do ano 2008
•
Tribunal de Justiça do Distrito Federal e Território - DF (TJDFT/DF)
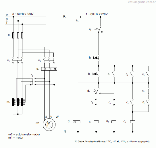
A figura acima mostra os circuitos de força e de controle...

A figura acima mostra os circuitos de força e de controle de um motor de indução trifásico, cuja partida, por meio do circuito de controle, ocorre por acionamento de botão. Considerando que esse circuito esteja inicialmente desligado, julgue os itens que se seguem.
A função do autotransformador no circuito de força é reduzir o consumo de potência reativa do motor durante o período no qual este motor fica ligado.
Comentários
Faça login para participar da discussão.
Cadastre-se Gratuitamente
Carregando comentários...