Questão
Q636193
Prova: Concurso Defensoria P?blica do Estado de S?o Paulo - SP (DPE/SP) 2015 - Agente de Defensoria P?blica ?rea Engenheiro Civil - Funda??o Carlos Chagas (FCC) do ano 2015
•
Defensoria Pública do Estado de São Paulo - SP (DPE/SP) 2015
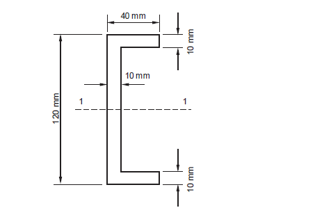
O projeto de uma cobertura metálica prevê a construçã...
O projeto de uma cobertura metálica prevê a construção de uma estrutura com perfis C soldados, como indicado na figura a seguir:

O momento de inércia desses perfis, em cm4, em relação ao eixo baricêntrico 1-1, que deve ser empregado para a verificação do estado limite de utilização, é
Comentários
Faça login para participar da discussão.
Cadastre-se Gratuitamente
Carregando comentários...