Questão
Q568109
Prova: Concurso Fundação Universidade de Brasília (FUB) 2009 - Engenheiro Área Civil - Centro de Seleção e de Promoção de Eventos UnB (CESPE) do ano 2009
•
Fundação Universidade de Brasília (FUB) 2009
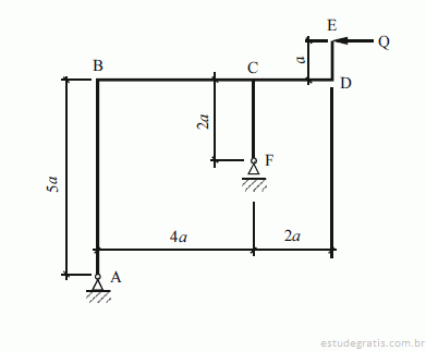
Considere o pórtico plano apresentado na figura acima, co...

Considere o pórtico plano apresentado na figura acima, com peso desprezível, dimensionado para resistir à carga Q (não nula), conforme mostrado na figura. As dimensões da seção transversal do pórtico são constantes e iguais em qualquer ponto. Com base nas informações apresentadas na figura, julgue os itens de 58 a 62.
Em módulo, a componente vertical da reação no apoio indicado por A é maior que a componente vertical da reação no apoio indicado por F.
Comentários
Faça login para participar da discussão.
Cadastre-se Gratuitamente
Carregando comentários...