Questão Q567577
2006 Fundação Carlos Chagas (FCC) Ministério Público Estadual - PE (MPE/PE)
Prova: Concurso Ministério Público Estadual - PE (MPE/PE) 2006 - Analista Ministerial Área Engenharia Civil - Fundação Carlos Chagas (FCC) do ano 2006 Ministério Público Estadual - PE (MPE/PE) 2006

Instruções: Para responder às questões...

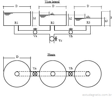
Instruções:    Para responder às questões números 51 e 52 considere a figura abaixo, que representa três reservatórios ligados entre si através de tubulações e registros. Desconsidere os efeitos da perda de carga, tanto localizada quanto distribuída. O líquido no interior de cada reservatório é água sob ação de 01 atmosfera, os reservatórios são abertos e não há atrito entre as paredes e o líquido. A única força atuante é a gravidade considerada aqui com o valor 10m/s2. (Inicialmente Δh2 = 2 × Δh1)

Considere:

I. Como os três reservatórios são iguais em tamanho, volume e proporções, a velocidade com que os níveis d'água sobem e descem é idêntica.

II. A velocidade com que o nível d'água sobe em R3 é duas vezes mais rápida que a velocidade que a água desce em R2.

III. A velocidade com que o nível d'água sobe em R2 é duas vezes mais rápida que a velocidade que a água desce em R1.

É INCORRETO o que consta em

Comentários

Faça login para participar da discussão.

Cadastre-se Gratuitamente
Carregando comentários...