Questão
Q419903
Prova: Concurso Petrobras (2ª edição) - Eletricista Especializado - Centro de Seleção e de Promoção de Eventos UnB (CESPE) do ano 2007
•
Petrobras (2ª edição)
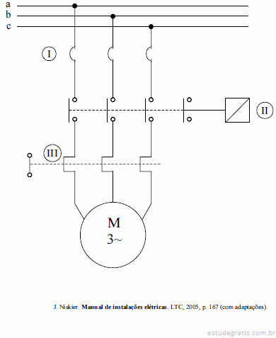
A figura acima mostra um circuito de força típico para al...

A figura acima mostra um circuito de força típico para alimentação de um motor de indução trifásico. Com relação à simbologia utilizada para representar os elementos desse circuito e à finalidade de cada um desses elementos, julgue os itens subseqüentes.
O elemento I é um fusível diazed, cujo anel de proteção I é fixo em sua base.
Comentários
Faça login para participar da discussão.
Cadastre-se Gratuitamente
Carregando comentários...