Questão
Q419852
Prova: Concurso Tribunal Superior Eleitoral (TSE) (3ª edição) - Analista Judiciário Área Engenharia Elétrica - Centro de Seleção e de Promoção de Eventos UnB (CESPE) do ano 2006
•
Tribunal Superior Eleitoral (TSE) (3ª edição)
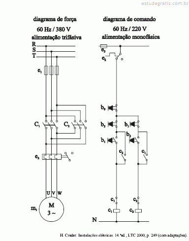
A figura acima mostra os circuitos de força e de...

A figura acima mostra os circuitos de força e de comando de um motor de indução trifásico que opera normalmente desde que seja alimentado de forma adequada. Considerando os circuitos de força e de comando acima, assinale a opção correta.
Comentários
Faça login para participar da discussão.
Cadastre-se Gratuitamente
Carregando comentários...