Questão
Q419797
Prova: Concurso Tribunal de Justiça - CE (TJCE/CE) - Analista Área Engenharia Elétrica - Centro de Seleção e de Promoção de Eventos UnB (CESPE) do ano 2008
•
Tribunal de Justiça - CE (TJCE/CE)
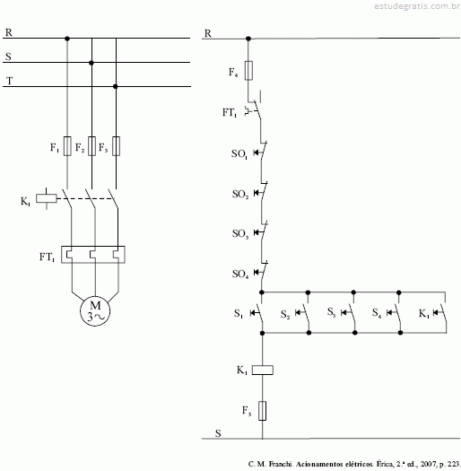
A figura acima mostra o esquema dos circuitos de comando...

A figura acima mostra o esquema dos circuitos de comando e de força para acionamento de um motor de indução trifásico. Considerando que todos os componentes estejam corretamente dimensionados e instalados no circuito, julgue os itens seguintes.
O circuito de comando permite a reversão do sentido de rotação do motor, mesmo após o motor ser acionado.
Comentários
Faça login para participar da discussão.
Cadastre-se Gratuitamente
Carregando comentários...