Questão
Q412804
Prova: Concurso Tribunal de Justiça - SE (TJSE/SE) - Analista Judiciário Área Apoio Especializado - Especialidade: Engenharia Elétrica - Centro de Seleção e de Promoção de Eventos UnB (CESPE) do ano 2014
•
Tribunal de Justiça - SE (TJSE/SE)
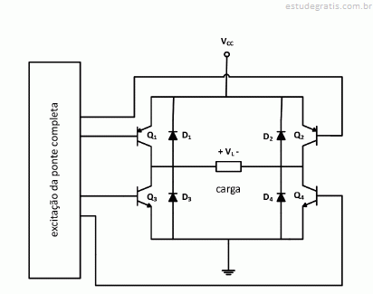
A figura acima mostra um circuito que contém uma ponte co...

A figura acima mostra um circuito que contém uma ponte completa para implementação de conversor CC-CC, em que a carga deve ser assumida como um motor de corrente contínua. A excitação dos transistores se dá segundo um procedimento de modulação por largura de pulso (PWM). A respeito desse conversor, julgue os itens subsequentes.
Para que o circuito apresentado opere como um conversor CC-CC com alta frequência para a modulação PWM, é necessário que a carga, no caso o motor, tenha um comportamento de filtro passa-altas na relação entre velocidade de rotação e tensão de excitação de armadura.Comentários
Faça login para participar da discussão.
Cadastre-se Gratuitamente
Carregando comentários...