Questão
Q401723
Prova: Concurso Empresa Bahiana de Águas e Saneamento - BA (EMBASA/BA) - Assistente de Saneamento Área Técnico em Edificações - Centro de Seleção e de Promoção de Eventos UnB (CESPE) do ano 2009
•
Empresa Bahiana de Águas e Saneamento - BA (EMBASA/BA)
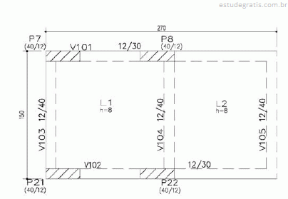
Considerando a planta de formas na figura acima, julgue o...

Considerando a planta de formas na figura acima, julgue os itens que se seguem.
Fazem parte dessa estrutura: 2 lajes, 5 vigas, e um trecho em balanço.
Comentários
Faça login para participar da discussão.
Cadastre-se Gratuitamente
Carregando comentários...