Questão
Q392174
Prova: Concurso Departamento de Polícia Federal (DPF) (3ª edição) - Engenheiro Civil - Centro de Seleção e de Promoção de Eventos UnB (CESPE) do ano 2004
•
Departamento de Polícia Federal (DPF) (3ª edição)
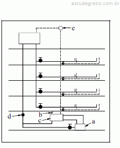
A figura acima representa esquematicamente um sistema asc...

A figura acima representa esquematicamente um sistema ascendente, sem circulação, de aquecimento central de água de um edifício. Nessa figura, estão representados alguns componentes do sistema de aquecimento, incluindo caldeira, válvula de segurança contra pressão, caixa de água fria, válvula de rentenção e ventosa. Com base na disposição desses elementos na figura, é correto afirmar que o componente indicado pela letra
d é uma válvula de retenção.
Comentários
Faça login para participar da discussão.
Cadastre-se Gratuitamente
Carregando comentários...