Questão
Q387310
Prova: Concurso Secretaria de Estado de Gestão e Recursos Humanos - ES (SEGER/ES) (2ª edição) - Especialista em Políticas Públicas Área Engenharia Civil - Centro de Seleção e de Promoção de Eventos UnB (CESPE) do ano 2011
•
Secretaria de Estado de Gestão e Recursos Humanos - ES (SEGER/ES) (2ª edição)
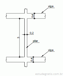
Julgue os itens a seguir, relativos às estruturas de conc...
Julgue os itens a seguir, relativos às estruturas de concreto armado.
Considere a figura abaixo, na qual todas as medidas estão em metro, que mostra um corte de um pilar de secção transversal de 20 cm × 20 cm, em um lance de um pavimento de uma edificação, e que o pilar esteja vinculado às extremidades. Nessa situação, o comprimento equivalente (le) a ser usado nos cálculos de flambagem do pilar será igual a 3,2 m.

Comentários
Faça login para participar da discussão.
Cadastre-se Gratuitamente
Carregando comentários...