Questão
Q387264
Prova: Concurso Secretaria de Estado de Gestão e Recursos Humanos - ES (SEGER/ES) (2ª edição) - Especialista em Políticas Públicas Área Engenharia Civil - Centro de Seleção e de Promoção de Eventos UnB (CESPE) do ano 2011
•
Secretaria de Estado de Gestão e Recursos Humanos - ES (SEGER/ES) (2ª edição)
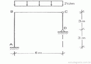
Com base na figura acima, que ilustra um pórtico plano co...

Com base na figura acima, que ilustra um pórtico plano com seu respectivo carregamento, julgue os itens seguintes.
O grau de hiperestaticidade, ou grau hiperestático, do sistema estrutural apresentado é 2.
Comentários
Faça login para participar da discussão.
Cadastre-se Gratuitamente
Carregando comentários...