Questão
Q387258
Prova: Concurso Secretaria de Estado de Gestão e Recursos Humanos - ES (SEGER/ES) (2ª edição) - Especialista em Políticas Públicas Área Engenharia Civil - Centro de Seleção e de Promoção de Eventos UnB (CESPE) do ano 2011
•
Secretaria de Estado de Gestão e Recursos Humanos - ES (SEGER/ES) (2ª edição)
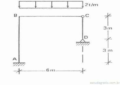
Com base na figura acima, que ilustra um pórtico plano co...

Com base na figura acima, que ilustra um pórtico plano com seu respectivo carregamento, julgue os itens seguintes.
As concavidades das barras AB e CD, na configuração deformada do sistema estrutural apresentado, voltar-se-ão, necessariamente, para a mesma direção.
Comentários
Faça login para participar da discussão.
Cadastre-se Gratuitamente
Carregando comentários...