Questão
Q383901
Prova: Concurso Banco da Amazônia S/A - AM (BASA/AM) - Técnico Científico Área Engenharia Civil - Centro de Seleção e de Promoção de Eventos UnB (CESPE) do ano 2007
•
Banco da Amazônia S/A - AM (BASA/AM)
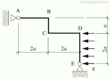
O desenho acima apresenta um corte lateral de um...

O desenho acima apresenta um corte lateral de um pórtico plano, rígido, com peso desprezível, submetido a um carregamento no trecho DE, uniformemente distribuído, não nulo, com intensidade q. Com base nesse desenho, julgue os seguintes itens.
O pórtico é hiperestático.
Comentários
Faça login para participar da discussão.
Cadastre-se Gratuitamente
Carregando comentários...