Questão
Q381715
Prova: Concurso Fundação Universidade de Brasília (FUB) (2ª edição) - Engenheiro Área Civil - Centro de Seleção e de Promoção de Eventos UnB (CESPE) do ano 2015
•
Fundação Universidade de Brasília (FUB) (2ª edição)
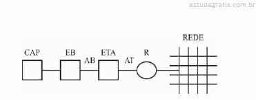
A figura apresentada ilustra a configuração de um sistema...

A figura apresentada ilustra a configuração de um sistema de abastecimento de água, que pode ser utilizado para o bombeamento da água de mananciais. A respeito desse sistema e das normas para implantação de sistemas de abastecimento de água e considerando que as siglas apresentadas na figura referem-se a captação (CAP); estação de bombeamento (EB); adução de água bruta (AB); unidade de tratamento (ETA); adução de água tratada (AT); reservatório de distribuição (R); e rede de abastecimento (REDE), julgue os itens que se seguem.
Caso o manancial esteja nos padrões de potabilidade requeridos, a ETA é dispensável, e a desinfecção por cloração pode ser feita no próprio reservatório de distribuição.Comentários
Faça login para participar da discussão.
Cadastre-se Gratuitamente
Carregando comentários...